
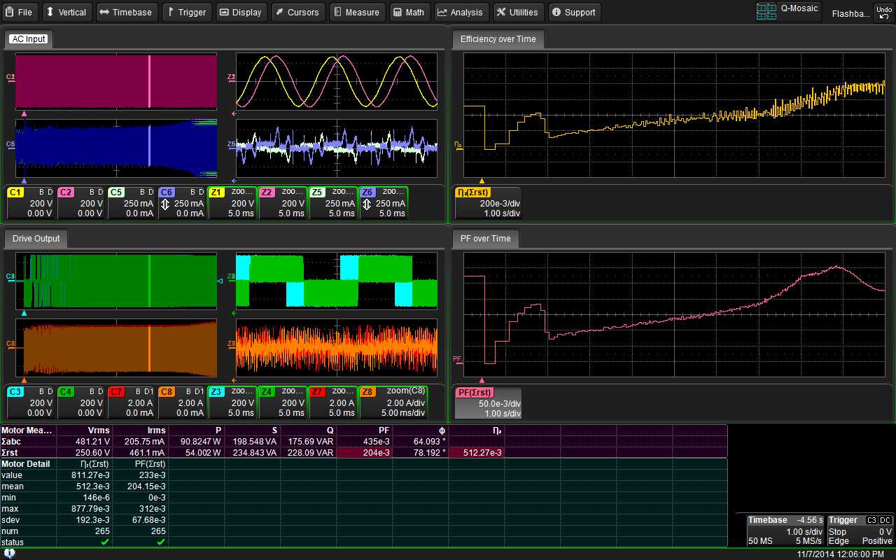
Teledyne LeCroy MDA810A - 1 GHz, 8 Ch, 12-bit, 2.5 GS/s, 50 Mpts/Ch Motor Drive Analyzer
Analizorii de antrenare mecanica asigura analiza trifazica completa a intrarii de antrenare mecanica prin iesirea mecanica a motorului, rezultatele fiind afisate intr-un format numeric tabelar. Viteza motorului, pozitia si integrarea de cuplu sunt cele mai complete disponibile. Memoria de durata, formele de unda “sintetizate” per ciclu si functia de Zoom + Poarta asigura o analiza puternica a antrenarii dinamice si a motorului. Cele 8 canale analogice de intrare (optional MSO) cu o inalta rezolutie (12 biti), rata de esantionare (pana la 2.5 GS/s), latime de banda (pana la 1 GHz) si memorie (pana la 250 Mpt/ch) asigura capabilitatea unica de a efectua depanarea de sistem a sectiunii de putere a antrenarii mecanice, performantei mecanice a motorului si a operarii sistemului de control al antrenarii incorporate.
Caracteristici Generale:
- Osciloscop + Analizor de Putere intr-un singur instrument
- Depanare completa a sistemului de antrenare mecanica
- Tabel cu rezultate ale masuratorilor numerice
- Analiza a raspunsului antrenarii dinamice
- Cea mai completa integrare mecanica a motorului
- Interfata de utilizare grafica intuitiva
- Tehnologie de inalta definitie HD4096
Oscilscop + Analizor de Putere
Analizorul de Antrenare Mecanica este construit pe platforma HDO8000 cu 8 canale/12 biti. Contine toate capabilitatile avansate de osciloscop, necesare pentru depanarea de control incorporat plus analiza mecanica si a puterii trifazice cu aceeasi acuratete ca cea a unui instrument de analiza a puterii dedicat.
Depanare Completa a Sistemului de Antrenare
Instrumentele de analiza a puterii au o singura functie, iar osciloscoapele tipice cu 4 canale au capabilitati limitate pentru analiza sistemelor trifazice de putere. Analizorul de Antrenare Mecanica contine 8 canale analogice de intrare (+16 canale digitale optionale) si capabilitati de analiza a puterii trifazice pentru depanarea unui sistem complet de antrenare mecanica.
Tabel cu Rezultate ale Masuratorilor Numerice
Valorile unui sistem trifazic de putere (putere reala, putere aparenta, putere reactiva, factor de putere, unghi de faza, eficienta si diversi parametri mecanici, ai tensiunii si ai curentului) sunt afisate intr-un tabel numeric convenabil, configurabil de catre utilizator. Pot fi afisate in mod simultan pana la 120 de valori.
Analiza a Raspunsului Antrenarii Dinamice
Memoria de durata (pana la 250 Mpts/ch) permite captarea si analiza pentru perioade consistente de timp (ex: 25 de secunde la 10 MS/s). Prin atingerea unei celule a tabelului, se creaza forme de unda “sintetizate” per-ciclu ale parametrului pe o durata de timp. Prin folosirea Zoom+Poarta pot fi vizualizate detaliile comportamentului antrenarii pe o portiune a achizitiei – toate valorile numerice si cele ale formei de unda per ciclu, sunt redirectionate catre aceasta functie, simplificand corelarea comportamentului complex al antrenarii cu alte forme de unda specifice sistemului de putere sau control si simplificand depanarea problemelor sistemului de antrenare.
Cea Mai Completa Integrare Mecanica a Motorului
Analizorul de Antrenare Mecanica permite integrarea senzorilor Hall DC cu suflanta fara perii (BLDC), Interfetei Codificatorului cu Cuadratura (QEI) si rezolverelor pentru detectarea vitezei, directiei si unghiului. Intrarile MSO (digitale) pot fi folosite pentru conservarea canalelor analogice importante.
Celule analogice conventionale pentru sarcina de torsiune si tacometre analogice/digitale pot fi integrate.
Intuitiva Interfata Grafica de Utilizare
Operatorul este ghidat prin ajustare si analiza de catre o interfata de utilizare usor de inteles. Capabilitatea de ajustare/pregatire este asigurata pentru orice combinatie de intrare/iesire monofazica sau trifazica a antrenarii. Butoanele rapide asigura accesul imediat la capabilitatile avansate ale instrumentului.
Tehnologia de Inalta Definite HD4096
Tehnologia de inalta definitie HD4096 permite captarea si afisarea de catre osciloscop a semnalelor de pana la 1 GHz cu o rata de esantionare ridica si o rezolutie de 16 ori mai mare decat a altor osciloscoape.
Dimensiuni fizice:
- Dimensiuni (HWD): 374 mm x 417 mm x 280 mm
- Masa: 12.27 kg. (27 lbs.)
-
Garantie si service
- Garantie si service timp de 3 ani.
- Este recomandata calibrarea anuala a dispozitivului.
- Programele optionale de service includ servicii de garantie si calibrare extinsă.
Accesorii Compatibile:
Sonde:
Sonde Active de Tensiune
- ZS1000-QUADPAK - Set de 4 Sonde Active ZS1000 de Mare Impedanta 1GHz
- ZS1500-QUADPAK - Set de 4 Sonde Active ZS1500 de Mare Impedanta 1.5GHz
- ZS1000 - Sonda Activa de Tensiune 1 GHz, 0.9 pF, 1 MOhm
- ZS1500 - Sonda Activa de Tensiune 1.5 GHz, 0.9 pF, 1 MOhm
Sonde Diferentiale (<=1.5 GHz)
- AP033 - Sonda Diferentiala 500 MHz
- ZD200 - Sonda Diferentiala Activa ±20 V, 200 MHz, 3.5 pF, 1 MOhm
- ZD500 - Sonda Diferentiala Activa ±8 V, 500 MHz, 1 pF, 1 MOhm
- ZD1000 - Sonda Diferentiala Activa ±8 V, 1 GHz, 1.0 pF
- ZD1500 - Sonda Diferentiala Activa ±8 V, 1.5 GHz, 1.0 pF
Sonde de Curent
- DSC015 - Sursa de Calibrare prin Aliniere pentru CP030, CP031, CP030A, CP031A si AP015
- CP150 - Sonda de Curent 150 A, 10 MHz, AC/DC, 150 A rms, 500 A Varf Impuls, Cablu de 2 m
- CP500 - Sonda de Curent 500 A, 2 MHz, AC/DC, 500 A rms, 700 A Varf Impuls, Cablu de 6 m
- CP030 - Sonda de Curent 30 A, 50 MHz, AC/DC, 30 A rms, 50 A Varf Impuls, Cablu de 1.5 m
- CP031 - Sonda de Curent 30 A, 100 MHz, AC/DC, 30 A rms, 50 A Varf Impuls, Cablu de 1.5 m
- CP030A - Sonda de Curent de Inalta Sensibilitate 30 A, 50 MHz, AC/DC, 30 A rms, 50 A Varf Impuls, Cablu de 1.5 m
- CP031A - Sonda de Curent de Inalta Sensibilitate 30 A, 100 MHz, AC/DC, 30 A rms, 50 A Varf Impuls, Cablu de 1.5 m
- CA10 – Adaptor Programabil Senzor de Curent -> ProBus pentru Senzori de Curent Terti
- CA10-QUADPAK – Set de 4 Adaptoare Programabil Senzor de Curent -> ProBus pentru Senzori de Curent Terti
Sonde Diferentiale de Inalta Tensiune
- AP031 - Sonda Diferentiala de Inalta Tensiune 700 V, 25 MHz (÷10, ÷100)
- AP300 - Sonda Diferentiala de Inalta Tensiune 1 kV, 20 MHz
- AP305 - Sonda Diferentiala de Inalta Tensiune 1 kV, 100 MHz
- HVD3102 - Sonda Diferentiala de Inalta Tensiune 1 kV, 25 MHz
- HVD3106 - Sonda Diferentiala de Inalta Tensiune 1 kV, 120 MHz
- HVD3106-6M - Sonda Diferentiala de Inalta Tensiune 1 kV, 80 MHz, Cablu de 6 m
- HVD3605 - Sonda Diferentiala de Inalta Tensiune 6 kV, 100 MHz
- HVD3102-NOACC - Sonda Diferentiala de Inalta Tensiune 1 V, 25 MHz, fara Accesorii pentru Varf
- HVD3106-NOACC - Sonda Diferentiala de Inalta Tensiune 1 V, 120 MHz, fara Accesorii pentru Varf
- HVD3206 - Sonda Diferentiala de Inalta Tensiune 2 kV, 120 MHz
Sonde de Inalta Tensiune
- HVP120 - Sonda Pasiva de Inalta Tensiune 400 MHz, 1kV Vrms
- PPE4KV - Sonda de Inalta Tensiune 100:1, 400 MHz, 50 MOhmi
- PPE5KV - Sonda de Inalta Tensiune 100:1, 400 MHz, 50 MOhmi
- PPE6KV - Sonda de Inalta Tensiune 100:1, 400 MHz, 50 MOhmi
Sonde Pasive
- PP018-1 - Sonda Pasiva pentru HDO 10:1, 10 MOhm, 500 MHz
- PP018-2 - Pereche de Sonde Pasive pentru HDO 10:1, 10 MOhm, 500 MHz
Amplificatoare Diferentiale
- DA1855A – Amplificator Diferential cu Sursa de Putere de Precizie 1Ch, 100 MHz
- DXC100A – Pereche de Sonde Diferentiale Pasive ÷100 sau ÷10 Selectabil, 250 MHz
- DXC200 – Pereche de Sonde Diferentiale Pasive ÷1, 50 MHz
- DXC-5100 – Pereche de Sonde Diferentiale 100:1, 250 MHz, 40 MOhm, 2.75pf
- DA101 – Atenuator Pasiv 10:1, 1MOhm
- DA1855A-PR2 – Amplificator Diferential cu Sursa de Putere de Precizie 2Ch, 100 MHz
- DA1855A-PR2-RM – DA1855A cu Montare in Raft, 2Ch
- DA1855A-RM – DA1855A cu Montare in Raft
Componente de Sonda si Seturi
- PACC-ZD008 – Adaptor cu Cablu Y
- PACC-ZD001 – Adaptor cu Cablu Y pentru Sondele Diferentiale ZD
- PACC-ZD002 – Cablu cu Prindere prin Lipire pentru Sondele Diferentiale ZD – 2buc
- PACC-ZD003 – Arc Lung de Impamantare pentru Sondele Diferentiale ZD – 2buc
- PACC-ZD004 – Inlocuitor de Varf pentru Sondele Diferentiale ZD – 2buc
- PACC-ZD005 – Adaptor de Varf cu Imbinare prin Articulatie pentru Sondele Diferentiale ZD
- PACC-ZD006 – Adaptor IC Mic pentru Sondele Diferentiale ZD
- PACC-ZD007 – Set de Accesorii Inlocuitoare pentru ZD200
- PK111 – Set de Accesorii Inlocuitoare pentru ZD500, ZD1000 si ZD1500
- PKIT4-5MM-101 – Set Standard de Accesorii Inlocuitoare pentru PP017/PP018
Adaptoare de Sonda
- TPA10 - Adaptor de Sonda TekProbe catre ProBus
- TPA10-QUADPAK - Set de 4 Adaptoare de Sonda TekProbe catre ProBus. Include geanta de protectie si transport.
Alte Accesorii Compatibile:
- HDO8k-MSO – Optiune de Semnal Mixt pentru Modelele Seriei HDO8000/MDA800
- HDO8K-L - Optiune de Memorie pentru HDO8000/MDA800 - 100 Mpt/Ch. Include 32 GB RAM CPU
- HDO8K-XL - Optiune de Memorie pentru HDO8000/MDA800 - 250 Mpt/Ch. Include 32 GB RAM CPU
- HDO8K-500GB-RHD-02 – Hard Disk Detasabil Aditional de 500GB pentru HDO8000/MDA800. Include Sistemul de Operare Windows 7, softwareul de osciloscop Teledyne LeCroy si fisiere critice de operare a osciloscopului in duplicat
- HDO8K-8-UPG-32GBRAM – Optiune de Imbunatatire de la 8 GB la 32 GB RAM CPU
- USB2-GPIB - Adaptor Extern USB 2.0 catre GPIB IEEE 488.2
- HDO8K-PWR – Pachet de Analiza a Puterii pentru HDO8000/MDA800
- HDO8K-1553 TD – Pachet de Declansare si Decodare MIL-STD-1553 pentru HDO8000/MDA800
- HDO8K-1553 TDME – Pachet de Declansare, Decodare, Masurare/Grafic si Diagrama Ochi MIL-STD-1553 pentru HDO8000/MDA800
- HDO8K-ARINC429bus DME Symbolic – Pachet de Decodare, Masurare/Grafic si Diagrama Ochi ARINC 429 Bus Symbolic pentru HDO8000/MDA800
- HDO8K-ARINC429bus Dsymbolic – Pachet de Declansare si Decodare ARINC 429 Bus pentru HDO8000/MDA800
- HDO8K-AudioBus TD – Pachet de Declansare si Decodare AudioBus pentru HDO8000/MDA800
- HDO8K-AudioBus TDG – Pachet de Declansare, Decodare si Grafic AudioBus pentru HDO8000/MDA800
- HDO8K-CAN FDbus TD – Pachet de Declansare si Decodare CAN FD pentru HDO8000/MDA800
- HDO8K-CAN FDbus TDME – Pachet de Declansare, Decodare, Masurare/Grafic si Diagrama Ochi CAN FD pentru HDO8000/MDA800
- HDO8K-CAN FDbus TDME SYMBOLIC – Pachet de Declansare, Decodare, Masurare/Grafic si Diagrama Ochi CAN FD Symbolic pentru HDO8000/MDA800
- HDO8K-CANbus TD – Pachet de Declansare si Decodare CAN pentru HDO8000/MDA800
- HDO8K-CANbus TDME – Pachet de Declansare, Decodare, Masurare/Grafic si Diagrama Ochi CAN pentru HDO8000/MDA800
- HDO8K-CANbus TDME SYMBOLIC – Pachet de Declansare, Decodare, Masurare/Grafic si Diagrama Ochi CAN Symbolic pentru HDO8000/MDA800
- HDO8K-DigRF3Gbus D – Pachet de Decodare DigRF 3G Bus pentru HDO8000/MDA800
- HDO8K-DigRFV4 D – Pachet de Decodare DigRF V4 Bus pentru HDO8000/MDA800
- HDO8K-DPHYbus D – Pachet de Decodare D-PHY Bus pentru HDO8000/MDA800
- HDO8K-EMB TD– Pachet de Declansare si Decodare I2C, SPI, UART si RS-232 pentru HDO8000/MDA800
- HDO8K-EMB TDME – Pachet de Declansare, Decodare , Masurare/Grafic si Diagrama Ochi I2C, SPI, UART si RS-232 pentru HDO8000/MDA800
- HDO8K-ENETbus D – Pachet de Decodare ENET Bus pentru HDO8000/MDA800
- HDO8K-FlexRaybus TD – Pachet de Declansare si Decodare FlexRay pentru HDO8000/MDA800
- HDO8K-FlexRaybus TDMP – Pachet de Declansare, Decodare, Masurare/Grafic si Testare a Stratului Fizic pentru HDO8000/MDA800
- HDO8K-I2Cbus TD – Pachet de Declansare si Decodare I2C Bus pentru HDO8000/MDA800
- HDO8K-I2Cbus TDME – Pachet de Declansare, Decodare, Masurare/Grafic si Diagrama Ochi I2C Bus pentru HDO8000/MDA800
- HDO8K-LINbus TD – Pachet de Declansare si Decodare LIN Bus pentru HDO8000/MDA800
- HDO8K-I2Cbus TDME – Pachet de Declansare, Decodare, Masurare/Grafic si Diagrama Ochi I2C Bus pentru HDO8000/MDA800
- HDO8K-Manchesterbus D – Pachet de Decodare Manchester Bus pentru HDO8000/MDA800
- HDO8K-NRZbus D – Pachet de Decodare NRZ Bus pentru HDO8000/MDA800
- HDO8K-ProtoBus MAG – Set de Unelte de Depanare Serial – Masurare, Analiza si Grafic pentru HDO8000/MDA800
- HDO8K-SENTbus D – Pachet de Decodare SENT Bus pentru HDO8000/MDA800
- HDO8K-SpaceWirebus D – Pachet de Decodare SpaceWire pentru HDO8000/MDA800
- HDO8K-SPIbus TD – Pachet de Declansare si Decodare SPI Bus pentru HDO8000/MDA800
- HDO8K-SPIbus TDME – Pachet de Declansare, Decodare, Masurare/Grafic si Diagrama Ochi SPI Bus pentru HDO8000/MDA800
- HDO8K-UART-RS232bus TD – Pachet de Declansare si Decodare UART si RS232 pentru HDO8000/MDA800
- HDO8K-UART-RS232bus TDME – Pachet de Declansare, Decodare, Masurare/Grafic si Diagrama Ochi UART-RS232 pentru HDO8000/MDA800
- HDO8K-USB2-HSICbus D – Pachet de Decodare USB 2.0 HSIC pentru HDO8000/MDA800
- HDO8K-USB2bus TD – Pachet de Declansare si Decodare USB 2.0 Bus pentru HDO8000/MDA800
- HDO8K-USB2bus TDME – Pachet de Declansare, Decodare, Masurare/Grafic si Diagrama Ochi USB 2.0 Bus pentru HDO8000/MDA800
- HDO8K-JITKIT – Pachet de Analiza a Instabilitatii Schemei de Sincronizare cu Vizualizare a Suprapunerii de Timp, Statistica, Spectru si Instabilitate
- HDO8K-DFP2 - Pachet Software Filtru Digital pentru HDO8000/MDA800
- HDO8K-SDM – Pachet Software cu Masca de Date Serial pentru HDO8000/MDA800
- HDO8K-EMC – Pachet Software cu Parametri de Impuls EMC pentru HDO8000/MDA800
- HDO8K-XDEV – Pachet de Personalizare Avansata pentru Seria HDO8000/MDA800
- HDO8K-SOFTCASE – Geanta de Protectie si Transport pentru HDO8000
- HDO8K-RACKMOUNT – Set de Montare in Raft pentru HDO8000
- OC1021-A - Carucior de Transport pentru Osciloscop
- OC1024-A - Carucior de Transport cu Raft si Sertar Aditional
- PK400-0 - Set de Sonde cu Prindere de Dimensiuni Foarte Mari. Include 22 de sonde.
