Accesorii pentru osciloscoape
Pachet de Declansare si Decodare I2C, SPI, UART si RS-232 pentru seria WaveSurfer 3000 de osciloscoape
Declansarea si decodificarea de sistem inglobat combina optiunile de declansare si decodificare I2C, SPI si UART pentru a asigura un set de unelte de depanare complet pentru sistemele inglobate.
Caracteristici Generale:
Cea mai Intuitiva Decodificare
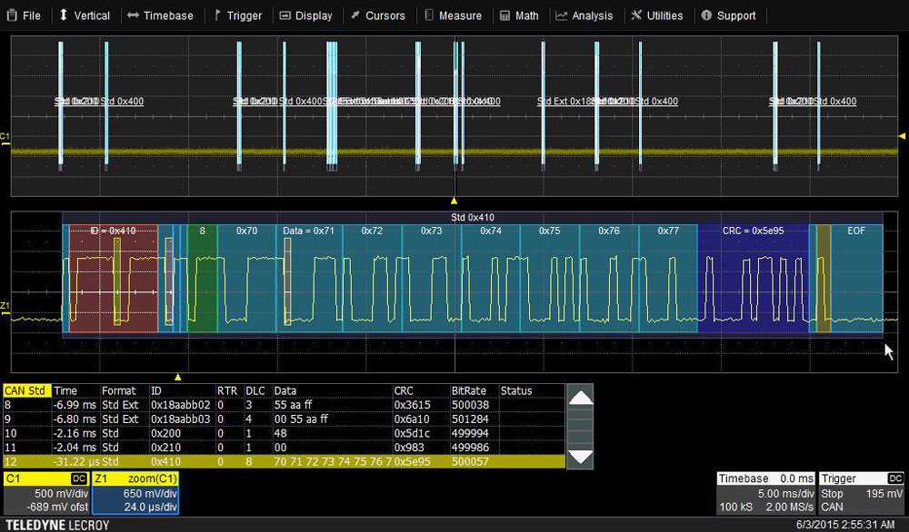
Algoritmii software avansati descompun forma de unda in informatie protocol, apoi suprapun informatia decodata peste forma de unda. Informatia decodificata este comprimata sau extinsa in functie de ajustajele raportului baza de timp/redimensionare vizuala, mesajele fiind usor de inteles. Diverse sectiuni ale protocolului sunt codificate dupa culoare pentru a fi usor de inteles, in special pentru utilizatorii neexperimentati privind datele I2C, SPI, UART si RS-232 serial. Operatiunea de decodificare se desfasoara in mod rapid, chiar si in cazul achizitiilor de durata. Utilizatorul poate alege ca informatia sa fie decodificata in format hexadecimal, binar sau ASCII.
Algoritmii de decodificare Teledyne LeCroy permit ca semnalul de sincronizare sa fie injectat catre un canal extern dedicat, ce face ca restul canalelor sa fie disponibil pentru alte semnale. In cazul in care se alege injectarea semnalului de sincronizare catre un alt canal, poate fi oprit pentru a reduce aglomerarea afisajului.
O Puternica Declansare Conditionala de Date
Este posibila izolarea totala a anumitor mesaje specifice I2C, SPI, UART sau RS-232 pentru o mai buna intelegere si depanare. Folosirea unui declansator conditional DATA face posibila selectionarea unei plaje de valori DATA pentru declansare si nu a unei singure valori. Deseori, I2C utilizeaza bytes DATA pentru a specifica sub-adrese pentru accesarea locatiilor de memorie in EEPROM. Declansatorul DATA conditional permite declansarea din cadrul unei plaje de bytes DATA ce corespund citirilor sau scrierilor din anumite blocuri de memorie de sub-adresa din cadrul EEPROM. Poate ajuta totodata la monitorizarea iesirilor DATA din senzorii I2C, precum convertizorii analogic->digital, si la declansare atunci cand DATA este inafara razei de operare sigure. In ambele cazuri, verificarea operarii corecte devine o sarcina simpla. Sunt incluse toate aptitudinile de declansare simpla I2C si SPI.
Compatibilitate si Personalizare UART si RS-232 Completa
Compatibilitate totala pentru orice cofiguratie UART si RS-232 standard. UART-ul generic este folosit deseori ca structura pentru protocoalele proprietare, iar configurarea flexibila face ca definitia sa intruneasca nevoile exacte ale clientului.
Declansare Flexibila
Pot fi decodificare simultan pana la 4 magistrale de date serial. In timpul folosirii optiunii MSO din cadrul osciloscoapelor WaveRunner Xi sau WaveSurfer X, intrarile digitale D0, D1, D2, etc. pot fi utilizate ca sursa de decodificare si declansare pentru date serial.
I2C, SPI si UART au cazuri speciale de utilizare, iar solutiile de declansare si decodare Teledyne LeCroy se adreseaza acestor cazuri. Declansatorul I2C poate fi configurat pentru adresare pe 7 sau 10 biti fara includerea partii de citire/scriere. Declansatorul SPI poate fi configurat pentru o gama de setari CPOL si CPHA si totodata, pentru protocol simplificat SPI. In cadrul declansarii UART, formatele 8 si 9-bit (8+1) sunt acceptate.
Afisajul Convenabil de Tip Tabel
Afiseaza valorile intr-un tabel usor de inteles. Se poate mari un rand prin atingerea lui sau exporta catre Excel prin singura apasare a unui buton.
Utilizatorul poate transforma osciloscopul intr-un analizor de protocol, prin afisarea tabelara a informatiei legate de protocol. Tabelul poate fi configurat dupa plac, pentru a afisa doar informatia de care utilizatorul are nevoie, iar tabelul poate fi exportat catre un fisier Excel. Un mesaj se poate mari vizual pentru detaliere prin simpla atingere a unui mesaj din tabel. In toate aceste cazuri, functia de Tabel nu pune niciodata in umbra datele formei de unda.
Cauta si Apropie
Utilizatorul poate cauta printr-o arhiva lunga de informatii decodate introducand mesajul sau adresa cautata si apasand sageata dreapta sau stanga de cautare.
Mesajele I2C, SPI, UART si RS-232 pot fi localizate cu usurinta cautand pe Adress (I2C) sau DATA (I2C, SPI, UART, RS-232). Apasand una din tastele sageata, singurul mesaj ce a fost apropiat trece in stanga sau in dreapta mesajului actual.


Recomandam OPERATIUNILE DE REPARATII in Service -ul Autorizat de Producatori al ARC Brasov
mai multe detaliiRecomandam ETALONAREA PERIODICA in Laboratorul de Metrologie Acreditat RENAR al ARC Brasov
mai multe detaliiComandati echipamentele noastre prin Sistemul de achizitii publice SICAP
mai multe detalii